Products
  • Home
  • >>
  • Products
  • >>
  • Horizontal type Two-End Riveting Machine
  • Horizontal type Two-End Riveting Machine

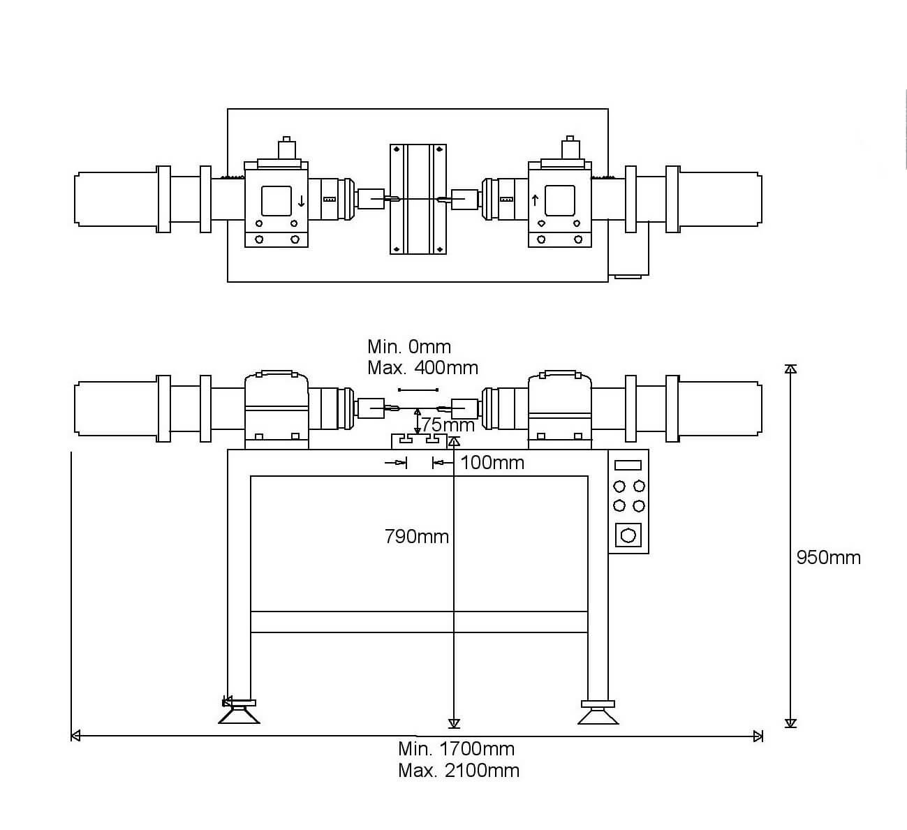
    LF-158-2H (Ø2-7mm)

    • Increased efficiency: With both ends of the machine riveting simultaneously, the production speed is significantly increased compared to single-end riveting machines.
    • Improved accuracy: Simultaneous riveting ensures that both ends of the material are securely fastened together with equal pressure, resulting in a more precise and consistent riveting process.
    • Enhanced strength: The dual-end simultaneous riveting provides a stronger and more reliable joint, as both ends of the material are riveted at the same time, reducing the risk of loosening or disconnection.
    • Time-saving: As both ends are riveted simultaneously, the overall production time is reduced, allowing for higher productivity and faster turnaround.
    • Versatility: Dual-end simultaneous riveting machines can be used for various materials, including metal, plastic, and composite materials, making them suitable for a wide range of applications.
    • Cost-effective: The increased efficiency and productivity offered by dual-end simultaneous riveting machines can result in cost savings for manufacturers, as they can produce more products in less time.
    • Operator-friendly: These machines are designed to be user-friendly, with easy-to-use controls and ergonomic features, ensuring the comfort and safety of operators during the riveting process.

    Specification

    Max.output (kgf) Stroke of
    spin head
    (mm)
    Riveting capacity
    (Mild steel rivet)
    (mm)
    Distance between
    punch and table
    (mm)
    Distance between
    punch and punch
    (mm)
    AC Motor
    rating
    4 poles (1720 rpm)
    Average air
    consumption
    in one cycle
    1170 20 - 40 Solid  2 - 7
    Hollow 2 - 12
    75 0-400 1 Hp x2
    3 phase
    13.6 NL
    (5kgf/cm2)
    Gauge pressure (kgf/cm2) Timer control (second) Working table LxW xH(mm) Dimension LxWxH (mm) N.W.(kgs) Wooden case LxWxH (mm) G.W. (kgs)
    2 - 7 0.5 - 6 342x182x33 2100x610x1080 320 2200x760x1180 400
    Principle of CLF Riveting Method
    Finished Shape of Rivet Heads and Punches
    Chang Lian Fa Machinery Co., Ltd.
    41, Lane 123, Sec. 2, Yongping Rd., Taiping Dist. 41144, Taichung City, Taiwan
    Tel:+886-4-22769648  |   Fax:+886-4-22764506  |   Email:chang.lianfa@msa.hinet.net
    Copyright 2017 © Chang Lian Fa Machinery Co., Ltd.